ОСНОВЫ МЕТОДОЛОГИИ АНАЛИЗА И УПРАВЛЕНИЯ РИСКОМ
Анализ риска: понятие и место в обеспечении безопасности технических систем
При разработке проблем
риска и технологической
безопасности самое
пристальное внимание
уделяется системному
подходу к учету и изучению
разнообразных факторов,
влияющих на показатели
риска, именуемому анализом
риска.
|
Анализ риска
или риск-анализ (risk analysis)
- процесс идентификации
опасностей и оценки
риска для отдельных лиц,
групп населения,
объектов, окружающей
природной среды и
других объектов
рассмотрения.
|
Напомним что,
под опасностью понимается
источник потенциального
ущерба или вреда или
ситуация с возможностью
нанесения ущерба, а под
идентификацией опасности -
процесс выявления и
признания, что опасность
существует, и определение
ее характеристик.
Существует
много подобных
формулировок этого понятия,
но в общем виде под
анализом риска
подразумевается процесс
выявления опасности и
оценки возможных
негативных последствий в
результате возникновения
нарушений в работе
конкретных
технологических систем и
представления этих
последствий в
количественных
показателях.
В США вместо
термина "анализ риска"
используют "анализ
опасностей" (process hazard
analysis), имеющий практически
то же значение.
Анализ риска -
во многом субъективный
процесс, в ходе которого
учитываются не только
количественные показатели,
но и показатели, не
поддающиеся формализации,
такие, как позиции и мнения
различных общественных
группировок, возможность
компромиссных решений,
экспертные оценки и т.д.
Многообразие
видов производственной
деятельности, специфика
промышленных объектов, их
принадлежность к самым
различным отраслям
отражает многоаспектность
проблемы анализа риска.
Особенность
анализа технологического
риска заключается в том,
что в ходе его
рассматриваются
потенциально негативные
последствия, которые могут
возникнуть в результате
отказа в работе
технических систем, сбоев в
технологических процессах
или ошибок со стороны
обслуживающего персонала.
Разумеется, что можно
рассматривать и негативные
воздействия на людей, и
окружающую природную среду
при безаварийном
функционировании
производства (за счет
выбросов или утечки
вредных или опасных
веществ, неочищенных
стоков и т.д.).
Результаты
анализа риска имеют
существенное значение для
принятия обоснованных и
рациональных решений при
определении места
размещения и
проектировании
производственных объектов,
при транспортировании и
хранении опасных веществ и
материалов. В процессе
анализа риска находят
широкое применение
формализованные процедуры
и учет разнообразных
ситуаций, с которыми может
столкнуться управляющий
персонал в процессе своей
деятельности, особенно при
возникновении
чрезвычайной обстановки.
Неопределенность, в
условиях которой во многих
случаях должны приниматься
управленческие решения,
накладывает отпечаток на
методику, ход и конечные
результаты анализа риска.
Методы, используемые в
процессе анализа, должны
быть ориентированы, прежде
всего, на выявление и
оценку возможных потерь в
случае аварии, стоимости
обеспечения безопасности и
преимуществ, получаемых
при реализации того или
иного проекта.
Анализ риска
имеет ряд общих положений
независимо от конкретной
методики анализа и
специфики решаемых задач. Во-первых,
общей является задача
определения допустимого
уровня риска, стандартов
безопасности
обслуживающего персонала,
населения и защиты
окружающей природной среды.
Во-вторых,
определение допустимого
уровня риска происходит,
как правило, в условиях
недостаточной или
непроверенной информации,
особенно когда это
касается новых
технологических процессов
или новой техники. В-третьих,
в ходе анализа в
значительной мере
приходится решать
вероятностные задачи, что
может привести к
существенным расхождениям
в получаемых результатах. В-четвертых,
анализ риска нужно
рассматривать, как процесс
решения
многокритериальных задач,
которые могут возникнуть
как компромисс между
сторонами,
заинтересованными в
определенных результатах
анализа.
Анализ риска
может быть определен как
процесс решения сложной
задачи, требующий
рассмотрения широкого
круга вопросов и поведения
комплексного исследования
и оценки технических,
экономических,
управленческих, социальных,
а в ряде случаев и
политических факторов.
Анализ риска
должен дать ответы на три
основных вопроса:
1. Что плохого может
произойти? (Идентификация
опасностей).
2. Как часто это может
случаться? (Анализ частоты).
3. Какие могут быть
последствия? (Анализ
последствий).
Основной
элемент анализа риска -
идентификация опасности (обнаружение
возможных нарушений),
которые могут привести к
негативным последствиям.
Выраженный в наиболее
общем виде процесс анализа
риска может быть
представлен как ряд
последовательных событий:
1. Планирование
и организация работ.
2. Идентификация опасностей.
2.1. Выявление опасностей.
2.2. Предварительная оценка
характеристик опасностей.
3. Оценка риска.
3.1. Анализ частоты.
3.2. Анализ последствий.
3.3. Анализ
неопределенностей.
4. Разработка рекомендаций
по управлению риском.
Первое, с чего
начинается любой анализ
риска, - это планирование и
организация работ. Анализ
риска проводится в
соответствии с
требованиями нормативно-правовых
актов для того, чтобы
обеспечить вход в процесс
управления риском, однако
более точный выбор задач,
средств и методов анализа
риска обычно не
регламентируется. В
документах подчеркивается,
что анализ опасности
должен соответствовать
сложности рассматриваемых
процессов, наличию
необходимых данных и
квалификации специалистов,
проводящих анализ. При этом
более простые и понятные
методы анализа следует
предпочитать более сложным
методам, не до конца ясным и
методически обеспеченным.
Поэтому на первом этапе
необходимо:
- указать
причины и проблемы,
вызвавшие необходимость
проведения риск-анализа;
- определить анализируемую
систему и дать ее описание;
- подобрать
соответствующую команду
для проведения анализа;
- установить источники
информации о безопасности
системы;
- указать исходные данные и
ограничения,
обусловливающие пределы
риск-анализа;
- четко определить цели
риск-анализа и критерии
приемлемого риска.
Во всех
нормативах содержится
требование
документального
оформления этого этапа
анализа риска.
Следующий этап
анализа риска -
идентификация опасностей.
Основная задача - выявление
(на основе информации о
данном объекте,
результатов экспертизы и
опыта работы подобных
систем) и четкое описание
всех присущих системе
опасностей. Это
ответственный этап анализа,
так как невыявленные на
этом этапе опасности не
подвергаются дальнейшему
рассмотрению и исчезают из
поля зрения.
Существует
целый ряд формальных
методов выявления
опасностей, о которых речь
пойдет ниже. Здесь
приводится предварительная
оценка опасностей с
целью выбора дальнейшего
направления деятельности:
- прекратить дальнейший
анализ ввиду
незначительности
опасностей;
- провести более детальный
анализ риска;
- выработать рекомендации
по уменьшению опасностей.
Исходные данные
и результаты
предварительной оценки
опасностей также должным
образом документируются. В
принципе процесс риск-анализа
может заканчиваться уже на
этапе идентификации
опасностей.
При
необходимости, после
идентификации опасностей
переходят к этапу оценки
риска.
Наконец,
последний этап анализа
риска технологической
системы - разработка
рекомендаций по уменьшению
уровня риска (управлению
риском) в случае, если
степень риска выше
приемлемой.
По проведенной
таким образом работе все
нормативные документы
предписывают составление
отчета, требования к
содержанию которого строго
сформулированы и касаются
перечисленных выше
вопросов.
Множественность
результатов анализа и
возможность компромиссных
решений дают основание
считать, что анализ риска
не является строго научным
процессом, поддающимся
проверке объективными,
научными методами.
С анализом
риска тесно связан другой
процесс - оценка риска.
|
Оценка риска
- процесс, используемый
для определения
величины (меры) риска
анализируемой
опасности для здоровья
человека, материальных
ценностей, окружающей
природной среды и
других ситуаций,
связанных с реализацией
опасности. Оценка риска
- обязательная часть
анализа. Оценка риска
включает анализ частоты,
анализ последствий и их
сочетаний.
|
В англоязычной
литературе употребляют
термины “risk estimation”, ”risk
assessment”, “risk evaluation”,
зачастую имеющие разные
значения, но переводимые
как оценка риска.
Оценка риска -
этап, на котором
идентифицированные
опасности должны быть
оценены на основе
критериев приемлемого
риска с целью выделить
опасности с неприемлемым
уровнем риска, и этот шаг
послужит основой для
разработки рекомендаций и
мер по уменьшению
опасностей. При этом и
критерии приемлемого риска
и результаты оценки риска
могут быть выражены как
качественно, так и
количественно.
Согласно
определению, оценка риска
включает в себя анализ
частоты и анализ
последствий. Однако, когда
последствия незначительны
и частота крайне мала,
достаточно оценить один
параметр.
Существуют
четыре разных подхода к
оценке риска.
Первый
- инженерный. Он опирается
на статистику поломок и
аварий, на вероятностный
анализ безопасности (ВАБ):
построение и расчет так
называемых деревьев
событий и деревьев отказов
- процесс основан на
ориентированных графах. С
помощью первых
предсказывают, во что может
развиться тот или иной
отказ техники, а деревья
отказов, наоборот, помогают
проследить все причины,
которые способны вызвать
какое-то нежелательное
явление. Когда деревья
построены, рассчитывается
вероятность реализации
каждого из сценариев (каждой
ветви), а затем - общая
вероятность аварии на
объекте.
Второй
подход, модельный, -
построение моделей
воздействия вредных
факторов на человека и
окружающую среду. Эти
модели могут описывать как
последствия обычной работы
предприятий, так и ущерб от
аварий на них.
Первые два
подхода основаны на
расчетах, однако, для таких
расчетов далеко не всегда
хватает надежных исходных
данных. В этом случае
приемлем третий
подход - экспертный:
вероятности различных
событий, связи между ними и
последствия аварий
определяют не вычислениями,
а опросом опытных
экспертов.
Наконец, в
рамках четвертого
подхода -
социологического -
исследуется отношение
населения к разным видам
риска, например с помощью
социологических опросов.
То, что для
определения риска
используются четыре столь
несхожих между собой
метода, не должно удивлять.
В разных задачах под риском
следует понимать то
вероятность какой-то
аварии, то масштаб
возможного ущерба от нее, а
то и комбинацию двух этих
величин. Описывая риск,
нужно учитывать и выгоду,
которую получает общество,
когда на него идет (бесполезный
риск недопустим, даже если
он ничтожно мал). Иными
словами, величина риска -
это не какое-то одно число,
а скорее вектор, состоящий
из нескольких компонент. И
поэтому мы имеем дело с так
называемым
многокритериальным
выбором, процедура
которого описывается
теорией принятия решений.
Имеется много
неопределенностей,
связанных с оценкой риска.
Анализ неопределенностей -
необходимая составная
часть оценки риска. Как
правило, основные
источники
неопределенностей -
информация по надежности
оборудования и
человеческим ошибкам, а
также допущения
применяемых моделей
аварийного процесса. Чтобы
правильно
интерпретировать величины
риска, надо понимать
неопределенности и их
причины. Анализ
неопределенности - это
перевод неопределенности
исходных параметров и
предложений,
использованных при оценке
риска, в неопределенность
результатов.
Источники
неопределенности должны по
возможности
идентифицироваться.
Основные параметры, к
которым анализ является
чувствительным, должны
быть представлены в
результатах.
Важно
подчеркнуть, что сложные и
дорогостоящие расчеты
зачастую дают значение
риска, точность которого
очень невелика. Для сложных
технических систем
точность расчетов
индивидуального риска,
даже в случае наличия всей
необходимой информации, не
выше одного порядка. При
этом проведение полной
количественной оценки
риска более полезно для
сравнения различных
вариантов (например,
размещения оборудования),
чем для заключения о
степени безопасности
объекта. Зарубежный опыт
показывает, что наибольший
объем рекомендаций по
обеспечению безопасности
вырабатывается с
применением качественных (из
числа инженерных) методов
анализа риска, позволяющих
достигать основных целей
риск-анализа при
использовании меньшего
объема информации и затрат
труда. Однако
количественные методы
оценки риска всегда очень
полезны, а в некоторых
ситуациях - и единственно
допустимы, в частности, для
сравнения опасностей
различной природы или при
экспертизе особо опасных,
сложных и дорогостоящих
технических систем.
В исследованиях
по проблеме риска возникло
отдельное направление
работ под общим названием
“Управление риском”.
|
Управление
риском (risk management) - это
часть системного
подхода к принятию
решений, процедур и
практических мер в
решении задач
предупреждения или
уменьшения опасности
промышленных аварий для
жизни человека,
заболеваний или травм,
ущерба материальным
ценностям и окружающей
природной среде.
|
Для процесса
управления риском
существует несколько
названий как в нашей стране
(обеспечение промышленной
безопасности), так и за
рубежом (“safety management”,
“management of process hazards”),
которые фактически
являются синонимами.
Под этими
терминами понимается
совокупность мероприятий,
направленных на снижение
уровня технологического
риска, уменьшение
потенциальных
материальных потерь и
других негативных
последствий аварий. По сути
дела, речь идет о
предотвращении
возникновения аварийных
ситуаций на производстве и
мерах по локализации
негативных последствий в
тех случаях, когда аварии
произошли.
Особенностью
этого направления является
комплексность, включающая
в себя различные аспекты -
технические,
организационно-управленческие,
социально-экономические,
медицинские, биологические
и др.
Общим в оценке
риска и управлением риском
является то, что они - два
аспекта, две стадии единого
процесса принятия решения (в
широком смысле слова),
основанного на
характеристике риска.
Такая общность
обусловлена их главной целевой
функцией - определением
приоритетов действий,
направленных на уменьшение
риска до минимума, для
чего необходимо знать как
его источники и
факторы - (анализ
риска), так и наиболее
эффективные пути его
сокращения (управлением
риском).
Взаимосвязь
между оценкой риска и
управлением им
представлена на рис. 2.3.1

Рис. 2.3.1. Взаимосвязь
между оценкой и
управлением риском: А -
область оценки риска; Б -
область управления риском;
В - область характеристики
риска; ¾¾®
- прямые связи между
элементами оценки и
управления риском; ¾
¾
®
- обратные связи принятия
решения с другими
элементами оценки и
управления риском
Основное
различие между двумя
понятиями заключается в
том, что оценка
риска строится на
фундаментальном, прежде
всего естественнонаучном и
инженерном, изучении
источника (например,
химического объекта) и
факторов риска (например,
загрязняющих веществ с
учетом особенностей
конкретной технологии и
экологической обстановки)
и механизма взаимодействия
между ними. Управлением
риском опирается
на экономический и
социальный анализ, а также
на законодательную базу,
которые не нужны и не
используются при оценке
риска. Управление риском
имеет дело с анализом
альтернатив по минимизации
риска, т.е. является, по сути
дела, частным случаем
класса многокритериальных
задач принятия решения в
условиях неопределенности.
Оценка риска
служит основой для
исследования и выработки
мер управления риском в
соответствии с алгоритмом
действий (рис. 2.3.1).
Заключительная фаза
процедуры оценки риска -
характеристики риска -
одновременно является
первым звеном процедуры
управления риском.
Количественные
показатели риска
Для управлением риском
его необходимо
проанализировать и оценить.
Ввиду данного в 2.3.1
определения риска, его
количественный показатель
представляет собой
численные значения
вероятности наступления
нежелательного события или
(и) результатов
нежелательных последствий
(ущерба).
|
Количественно
риск может быть
определен как частота (размеренность
- обратное время)
реализации опасности.
|
Изучение
статистических данных
позволяет выявить частоту
возникновения опасных
событий. Однако
серьезность событий (даже
внутри одного класса
аварий) может значительно
изменяться от события к
событию; тогда возникает
необходимость введения
категорий событий (например,
события с тяжелыми,
средними или легкими
последствиями) и
рассмотрения частоты
каждой из таких категорий.
Последнее достигается
приписыванию каждому
классу или подклассу
показателя риска (числа
событий за определенный
период времени, деленный на
длительность этого периода),
имеющего размеренность
обратного времени. Этот
показатель иногда
рассматривается как мера “вероятности”
возникновения события.
Следует рассмотреть
замечание, сделанное по
этому поводу редакторами
перевода [38], смысл которого
состоит в том, что наиболее
естественно
интерпретировать вводимый
показатель в рамках
некоторой математической
модели, в данном случае -
вероятностной, поскольку
рассматриваются случайные
явления. Например, можно
характеризовать явление
случайной величиной -
обозначим ее z - числом
случаев возникновения
события (реализации
явления) за определенный
период времени Т, например
за год. Хорошо известно, что
математическое ожидание Мz
случайной величины z - это
среднее (ожидаемое) число
случаев возникновения
события за год или частота
возникновения события.
Тогда в соответствии с
принятой в математической
статистике терминологией
число событий (которое
берется из статистических
данных) - это выборка,
отношение числа событий к
длительности периода
наблюдения - статистика,
являющаяся, очевидно,
несмещенной и
состоятельной оценкой
математического ожидания Мz,
или частоты возникновения
событий. Если считать
распределение случайной
величины z, например
пуассоновским, т.е. если
положить
, где r - константа, то
возможно оценить условия,
когда вводимый показатель
можно считать вероятностью.
В самом деле, для
пуассоновского
распределения Мz = r
T. С другой стороны, для
пуассоновского
распределения вероятность
того, что за время Т
случится не менее одного
события, равна
. Поэтому только для очень
малых частот возникновения
события можно
интерпретировать вводимый
показатель как вероятность
возникновения за время Т
хотя бы одного события.
Необходимо,
однако, отметить, что
вводимый таким способом
показатель не является
вероятностью в точном,
математическом смысле
этого слова. Вероятностью (события
в конечной схеме при
классическом определении)
называется отношение мощности
множества элементарных
исходов, составляющих
это событие, к мощности
всего множества
элементарных исходов.
Вероятность события - это
действительное число,
лежащее в интервале 0-1. Так,
например, при бросании
обычной кости вероятность
события “выпадение 7”
равна нулю, вероятность
события “выпадения 1 или 2”
равна одной шестой,
вероятность события “выпадение
какого-нибудь числа между 1
и 6” равна единице. Таким
образом, в рассмотренном
случае те связи между
событиями А и В, когда
только при возникновении А
случается В, можно
интерпретировать как
вероятность.
|
Количественно
риск может быть
определен, как
вероятность Р
возникновения события В
при наступлении события
А (безразмерная
величина, лежащая в
пределах 0-1).
|
Поскольку
реализация опасности
явление случайное, риск
опасности (как бы ни
определять его - как
частоту или вероятность)
есть числовая
характеристика
соответствующей случайной
величины, используемой для
описания данной опасности.
В качестве простейшего
примера возможного
формального подхода
рассмотрим случайную
величину s - длительность
периода безаварийной
работы промышленного
предприятия, областью
определения которой служит
множество режимов
эксплуатации за
произвольное (возможно,
бесконечное) время.
Оказывается возможным явно
вычислить функцию
распределения этой
величины Fs(t) = P(s£t),
предположив ее
независимость от
предыстории
функционирования
промышленного предприятия
(такое предположение
является наиболее
оптимистичным в отношении
уровня безопасности).
Хорошо известно, что
существует единственное
решение, удовлетворяющее
сформулированному условию:
Fs(t)=
для t>0; Fs(t)=0 для t<0,
где p>0 - постоянная; это
так называемое
показательное
распределение.
Математическое ожидание Мs
случайной величины s есть Мs
= 1/p, что позволяет
интерпретировать параметр
p как среднюю (ожидаемую)
частоту аварий или риск
аварий в смысле
обсуждаемого определения.
Вероятность аварий рт
за период времени, не
превосходящий Т,
определяется, очевидно, как
рт=Р(s£T)
=
. Отметим, что всегда рт<pT,
поэтому неверно часто
высказываемое утверждение,
что для аварии, риск
которой равен 1/Т, она
обязательно случится за
период Т (вероятность
такого события равна 1-е-1
, т.е. приблизительно 0,632).
Более того, даже в этом
простейшем случае
показательного
распределения было бы
неверно утверждать, что
вероятность аварии рт
за период времени, меньший
или равный Т, определяется,
как произведение частоты
аварии p на этот период Т.
Имеет место лишь
приблизительное равенство
в случае малых рисков, т.е.
редких аварий. Однако,
функциональная
зависимость между
вероятностью аварий и
частотой ее возникновения (для
фиксированного
распределения) существует (прим.
ред. перевода [38]).
Последствие
Y в виде нежелательного
события или ущерба может в
соответствии со своей
величиной описываться
своими специфическими
параметрами. Диапазон при
этом может быть весьма
широк - от экономических до
этических ценностей и
человеческих жертв.
Мерой возможности
наступления риска служит
вероятность его
наступления Р.
Отсюда следует:R=Y×P
.
|
Величина
риска определяется как
произведение величины
нежелательного события
на вероятность его
наступления, т. е. как
математическое
ожидание величины
нежелательных
последствий.
|
Обратимся
вновь к функциональной
модели (рис. 2.3.1). Для
отображенных на ней
множества исходных причин
развития риска можно в
общем виде записать
формулу расчета в виде
R=P1P2P3P4, где
R - риск, т.е. вероятность
нанесения определенного
ущерба;
Р1 - вероятность
возникновения события или
явления, обусловливающего
формирование и действие
опасных факторов;
Р2 - вероятность
формирования определенных
уровней физических полей,
ударных нагрузок, полей
концентрации вредных
веществ, воздействующих на
людей и другие объекты;
Р3 - вероятность того,
что указанные уровни полей
и нагрузок приведут к
определенному ущербу;
Р4 - вероятность
отказа средств защиты.
Мы узнали, что
количественная мера риска
может выражаться не только
вероятностной величиной.
Риск иногда интерпретируют
как математическое
ожидание ущерба,
возникающего при
реализации опасностей.
При определении
математического ожидания
величины ущерба
представляется
целесообразным принимать
во внимание все возможные
виды опасных происшествий
для данного объекта и
оценку риска производить
по сумме произведений
вероятностей указанных
событий на соответствующие
ущербы. В этом случае
справедлива следующая
зависимость:
,
где RМ О - уровень
риска, выраженный через
математическое ожидание
ущерба;
Рi - вероятность
возникновения опасного
события i-го класса;
Yi - величина ущерба
при i-ом событий.
Хотя последняя
интерпретация находит
применение, однако
вероятностная мера риска
является более удобной и
применяемой при решении
широкого круга задач
научного и практического
характера, в особенности
задач, касающихся
промышленной безопасности.
Понятие “риск” - атрибут
научного аппарата многих
технических, экономических,
общественных и
естественных наук. У
каждого из них свой предмет,
свой аспект, а потому в
определении меры риска в
безопасности выделяют
социальные,
профессиональные,
экологические, техногенные,
медикобиологические,
военные и др. опасности.
Таким образом, риск -
мера вполне определенных
опасностей. Определяя
риск необходимо ответить
на вопрос: риск чего? (Например,
риск событий, связанных с
эксплуатацией сложной
технической системы -
разгерметизацией
оборудования, отказом
средств предупреждения,
ошибками человека и т. д.).
На рисунке 2.3.2 дан обзор
ситуаций с риском
возникновения
соответствующих
нежелательных событий и
приведены их измерения.
При угрозе материальным
ценностям риск часто
измеряют в денежном
выражении. Если различные
последствия
нежелательного события
одинаковы или очень велики,
то для сравнения
достаточно рассматривать
одни соответствующие
вероятности. Наряду с этим
может возникнуть угроза,
которую нельзя выразить
количественно, например,
когда последствия события
нельзя предусмотреть
достаточно полно. Примером
могут служить последствия
выхода из строя прибора (установки
и т.д.), используемого в
различных областях
народного хозяйства,
которые поставщик оценить
не может. В этом случае
мерой риска остается
принять вероятность
превышения предела
нагрузки на систему, где
эксплуатировали прибор.
При риске, связанном со
здоровьем, последствия
могут быть частично
оценены количественно в
таких категориях, как
простой в работе или
расходы на оплату
подменяющего персонала и т.п.,
страховые выплаты. При
риске, связанном с
летальным исходом,
количественные оценки
последствий в большинстве
случаев отсутствуют.
Особые проблемы ставят
случаи, когда опасность
грозит и материальным
ценностям, и людям, и
окружающей природе
одновременно, и желательно
меру такого риска оценить
по нескольким компонентам.

Рис. 2.3.2. Обзор
ситуаций риска
Как уже говорилось, риск
может быть явно связан с
факторами, не поддающимися
учету. Так, эстетический
вред, наносимый
построенным сооружением
уникальному ландшафту, или
последствия выхода из
строя телецентра
практически невозможно
оценить.
Как и в случае других
измерений, для риска могут
использоваться единицы
измерения, выраженные и
через фундаментальные
единицы.
Описанные свойства риска
требуют дальнейшего
рассмотрения проблемы.
Традиционный
подход к обеспечению
безопасности при
эксплуатации технических
систем и технологий
базируется на концепции
"абсолютной
безопасности" – ALAPA (аббревиатура
от "As Low As PracticabLe AchievabLe":
"настолько низко,
насколько это достижимо
практически"). То есть
внедрение всех мер защиты,
которые практически
осуществимы. Как
показывает практика, такая
концепция неадекватна
законам техносферы. Эти
законы имеют вероятностный
характер, и абсолютная
безопасность достигается
лишь в системах, лишенных
запасенной энергии.
Требование абсолютной
безопасности, подкупающее
своей гуманностью,
оборачивается трагедией
для людей, потому что
обеспечить нулевой риск в
действующих системах
невозможно, и человек
должен быть ориентирован
на возможность
возникновения опасной
ситуации, т.е. ориентирован
на соответствующий риск.
Современный мир
отверг концепцию
абсолютной безопасности и
пришел к концепции "приемлемого"
(допустимого) риска. Это
понятие произошло от
принятого в современной
научной литературе термина
– "принцип приемлемого
риска", известного как
принцип ALARA (аббревиатура
от "As Low As ReasonabLe AchievabLe":
"настолько низко,
насколько это достижимо в
пределах разумного",
учитывая социальные и
экономические факторы). То
есть если нельзя создать
абсолютно безопасные
технологии, обеспечить
абсолютную безопасность,
то, очевидно, следует
стремиться к достижению
хотя бы такого уровня риска,
с которым общество в данный
период времени сможет
смириться.
В силу этих
обстоятельств в
промышленно развитых
странах, начиная с конца 70-х
– начала 80-х гг., в
исследованиях, связанных с
обеспечением безопасности,
начался переход от
концепции "абсолютной"
безопасности к концепции
"приемлемого" риска.
Степень внедрения этой
концепции в практическую
деятельность сегодня
различна в разных странах и
в некоторых из них уже
введена в законодательство.
Например, в Нидерландах эта
концепция в 1985 г. была
принята парламентом страны
в качестве
государственного закона.
Согласно ему, вероятность
смерти в течение года для
индивидуума от опасностей,
связанных с техносферой,
>10-6 считается
недопустимой, а <10-8 -
пренебрежимой. "Приемлемый"
уровень риска выбирается в
диапазоне 10-6-10-8
в год, исходя из
экономических и социальных
причин. Для сравнения: риск
смерти человека, равный 10-6,
соответствует риску,
которому он подвергается в
течение своей поездки на
автомобиле на расстояние в
100 км или полете на
самолете на расстояние 650 км,
или, если он выкуривает 3/4
сигареты, или в течение 15 мин
занимается альпинизмом и т.д.
В Нидерландах
при планировании
промышленной деятельности,
наряду с географическими,
экономическими и
политическими картами,
используются и карты риска
для территории страны. В
этих условиях, чтобы
построить промышленное
предприятие и ввести его в
эксплуатацию,
проектировщикам требуется
количественно определить
уровень риска его
эксплуатации и доказать
правительственным органам
приемлемость этого риска.
При лицензировании нового
крупного промышленного
предприятия также
требуется предоставить
топографическую карту
риска, которому будет
подвергаться человек,
оказавшийся в зоне
расположения этого
предприятия. На этой карте
должны быть указаны
замкнутые кривые равного
риска, каждая из которых
соответствует следующим
численным значениям
вероятности смерти
индивидуума в течение года:
10-4, 10-5, 10-6,
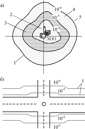
10-7 (рис. 2.4).
Требования такого же рода
предъявлены и к уже
действующим предприятиям.
Проблема
уменьшения риска решается
в Нидерландах настолько
активно и последовательно,
насколько это возможно при
нынешнем уровне знаний.
Основные принципы такой
деятельности закреплены в
правительственной
программе управления
риском, которая является
составной частью общей
программы по защите
окружающей среды.
Эксперты
стараются определить риск
всесторонне. Учитывают
индивидуальный риск,
социальный риск и даже риск
для экосистем. Первый
задается вероятностью
гибели отдельного человека,
второй - соотношением между
количеством людей, которые
могут погибнуть при одной
аварии, и вероятностью
такой аварии, а третий -
процентом биологических
видов экосистемы, на
которых скажется вредное
воздействие.
Рассматриваются не только
события, приводящие к
мгновенной смерти, но и
факторы, дающие отдаленные
последствия - например,
использование пестицидов в
сельском хозяйстве или
загрязнение окружающей
среды. Разработаны сложные
комплексы компьютерных
программ, способные
вычислить вероятность
аварии на предприятии,
определить величину и
характер опасных выбросов,
учесть метеорологические
условия, рельеф местности,
расположение дорог и
населенных пунктов и в
конечном счете построить
карту распределения риска.

Рис. 2.3.3. Построение
зон индивидуального риска
для опасного предприятия (а)
и транспортной магистрали (б),
по которой осуществляется
перевозка опасных грузов:
1 – изолинии равного риска;
2, 3, 4, 5 – зона
соответственно
чрезвычайно высокого,
высокого, приемлемого и
низкого риска
Существует
уровень риска, который
можно считать пренебрежимо
малым. Если риск от какого-то
объекта не превышает
такого уровня, нет смысла
принимать дальнейшие меры
по повышению безопасности,
поскольку это потребует
значительных затрат, а люди
и окружающая среда из-за
действия иных факторов все
равно будут подвергаться
почти прежнему риску. С
другой стороны, есть
уровень максимального
приемлемого риска, который
нельзя превосходить,
каковы бы ни были расходы.
Между двумя этими уровнями
лежит область, в которой и
нужно уменьшать риск,
отыскивая компромисс между
социальной выгодой и
финансовыми убытками,
связанными с повышением
безопасности.
Решение о том,
какой уровень риска
считать приемлемым, а какой
нет, носит не технический, а
политический характер и во
многом определяется
экономическими
возможностями страны.
Правительство и парламент
Нидерландов
законодательно установили
такие уровни. Максимальным
приемлемым уровнем
индивидуального риска (уже
об этом мы говорили)
считается величина 10-6
в год. Иными словами,
вероятность гибели
человека в течение года не
должна превышать одного
шанса из миллиона.
Пренебрежимо малым
считается индивидуальный
риск 10-8 в год. Для
факторов, которые приводят
к отдаленным опасным
последствиям и не имеют
порога действия, приняты
эти же нормы. Если такие
факторы сказываются лишь
на превышения порога (например,
предельно допустимой
концентрации вредного
вещества), то максимальный
приемлемый уровень риска
соответствует порогу.
Максимальным приемлемым
уровнем риска для
экосистем считается тот,
при котором может
пострадать 5% видов
биогеоценоза.
Два конкретных
примера того, как работают
такие нормы на практике.
Голландская компания "GeneraL
ELectric PLastics" обратилась
за разрешением на
расширение производства на
одном из своих заводов. На
этот завод по железной
дороге привозилось
примерно 600 т хлора в
неделю, а в качестве
промежуточного реактива
использовался фосген.
Жители расположенного в 600 м
поселка возражали против
такого разрешения,
поскольку боялись
увеличения риска
катастрофы. Эксперты
провели расчет, и оказалось,
что вклад фосгена в общий
риск, создаваемый заводом,
совсем не велик. Зато
расширение завода
неминуемо приводило к
увеличению объемов
хранения и перегрузки
хлора, в результате чего
значительная часть поселка
могла оказаться в зоне, где
риск превышал 10-7. Из
этой ситуации был найден
довольно неожиданный выход:
чтобы сделать завод более
безопасным, требовалось не
просто расширить его, но и
начать собственное
производство хлора. Тогда
исчезла бы угроза,
связанная с перевозкой и
хранением этого ядовитого
газа, и общая безопасность
предприятия даже возросла
бы. Такой выход устроил и
местные власти, и
руководителей компании.
Другой случай
произошел на юго-востоке
Голландии, где расположено
крупное химическое
предприятие, выпускающее
среди прочего до
полумиллиона тонн аммиака
и акрилонитрита в год и
отстоящее от ближайших
поселков всего на 200 м.
Когда местные власти
предложили план застройки
местности между поселком и
предприятием, по
существующим правилам был
проведен анализ уровня
риска в этой зоне. На
территории завода
находилось около 35
различных объектов, 10 из
которых вносили главный
вклад в общую угрозу.
Каждый из них был тщательно
изучен. Неожиданно
обнаружилось, что многие
считавшиеся раньше весьма
опасными установки на
самом деле не играют той
роли, которую им
приписывали. Зато
недооценивалась опасность,
связанная с хранилищами
аммиака. Выяснилось, что
часть новой застройки
попадает в зону с высоким
уровнем риска. Эксперты
дали две рекомендации:
руководству завода принять
меры по снижению риска,
местным властям ограничить
строительство на
территориях, примыкающих к
заводу. Жители поселков с
энтузиазмом приняли первую
часть рекомендаций и с
негодованием - вторую.
После обсуждения в
парламенте было решено в
этот раз позволить
строительство в зоне, где
риск не превышает 10-6,
но в будущем
ориентироваться на линию,
на которой риск составляет
10-8, то есть
пренебрежимо мал.
Специалисты из
разных стран спорят о том,
насколько правильны и
объективны используемые в
Нидерландах методы расчета,
насколько точны их карты,
насколько оправдан поиск
компромисса между выгодой
и безопасностью. Рядовым
жителям - неспециалистам,
судить об этом трудно. Зато
они чувствуют, что
государство не на словах, а
на деле заботиться об их
жизни, так что они могут
доверять самому подходу к
проблеме - честному и
действенному.
Конечно,
Нидерланды надо
рассматривать как пример
страны, где наиболее широко
используются
вероятностные методы в
практической деятельности
по обеспечению
безопасности населения от
риска при эксплуатации
промышленных объектов. В
других странах масштабы
использования концепции
"приемлемого" риска в
законодательстве более
ограничены, но во всех этих
странах существует
тенденция к ее все более
полному применению (см.
табл. 2.3.1). Например, в ФРГ
концепция "приемлемого"
риска является основой, на
которой развиваются
научные основы в области
безопасности. Полученные
при этом результаты
используются для повышения
безопасности и минимизации
риска, а не для достижения
общественного признания
определенной технологии.
Таблица 2.3.1
Критерии приемлемости
риска в пяти странах
|
Страна
|
Определение
приемлемости
надзорными органами
|
Требуемое
обоснование
|
Использование
количественных оценок
риска
|
|
1
|
2
|
3
|
4
|
|
Великобритания
|
Риск
должен быть так низок,
как практически
возможно
|
Доклад о
деятельности,
определенной
нормативами CIMAH
|
Предлагаемый
риск серьезных аварий
10-4 1/год на границе
приемлемости
|
|
Германия
|
Должен
удовлетворять
техническим правилам и
не причинять ущерб
окружающей среде или
значительный ущерб
населению
|
Анализ
безопасности
последнего состояния
технологии
|
Только
как часть анализа
безопасности. Никакие
количественные
показатели на могут
быть удовлетворительно
определены
|
|
Франция
|
Реальное
арбитражное
просвещение
|
Оценка
технического риска и
экономический анализ
|
Риск
неприемлемых
последствий, который не
должен превышать 10‑6 1/год,
рассматривается скорее
как цель, чем требование
|
|
Дания
|
Требования
выражены в общих
терминах. Загрязнение
окружающей среды не
выше пороговых значений
|
Должен
быть приемлем для
Комитета
соответствующей
организации
|
Риск, не
превышающий 10‑6 1/год
приемлем
|
|
Нидерланды
|
Опасность
должна быть
квантифицирована
настолько точно,
насколько возможно
|
Доклад по
безопасности должен
быть одобрен надзорными
органами и Рабочим
советом. Пригодность
операционного
персонала должна быть
оценена
|
Анализ в
терминах теории
вероятности.
Обеспечиваемый
максимальный
приемлемый
индивидуальный риск
смерти 10‑6 1/год
|
Сравнение
рисков
Ключевым значением в
установлении допустимого
риска является идея,
предложенная Фармером в 1967
году [68]. Смысл заключался в
установлении случайной
зависимости между средним
количеством радиоактивной
утечки в атмосферу из
ядерного реактора и
вероятностью (средняя
частота в год) наступления
такого события.
Примером использования
таких диаграмм может
служить график (рис. 2.3.4), на
котором подобные
зависимости применяются
для сравнения опасностей
АЭС и других явлений - как
техносферы, так и сил
природы. За такими
графиками закрепилось
название "F/N - диаграмма".
Тот же смысл имеет график с
горизонтальной осью N - "число
несчастных случаев" и
вертикальной осью F - "частота
событий" (рис. 2.3.4).
Подобные графики в случае,
если количество данных и
диапазон их изменений
очень велик, обычно
строятся в логарифмическом
масштабе. Они могут быть
аппроксимированы кривой-графиком
непрерывной функции.
Таким способом
определяется предельная
кривая частоты аварийных
событий (нежелательных
последствий), которая может
использоваться, прежде
всего, для сравнения
опасностей и в качестве
исходных данных
проектировщиками и
специалистами по
безопасности. Считается,
что кривая отделяет
верхнюю область
недопустимо большого риска
от области приемлемого
риска, расположенной ниже и
левее кривой. Кривую, таким
образом, можно
использовать в качестве
критерия безопасности,
определяющего верхнюю
границу допустимой
вероятности. Если это
условие выполняется,
основная цель достигнута. Для
рассматриваемых
характеристик необходима
реальная статистика.
Из рис. 2.3.4 и 2.3.5 видно, что
частота и величина риска,
связанного с природными
катаклизмами, обычно
существенно превосходят
угрозы, сопутствующие
эксплуатации техники. На
рис. 2.3.4 сопоставлены
экономические последствия
ущерба, наносимого
природными катаклизмами и
техническими катастрофами.

Рис. 2.3.4. Частота и
количество связанных с
техникой несчастных
случаев:
1 - суммарная кривая; 2 -
общее число аварий
самолетов; 3 - пожары; 4 -
взрывы; 5 - прорывы плотины; 6
- выбросы вредных
химических веществ; 7 -
аварии самолетов (без
пассажиров);
8 - 100 атомных реакторов
Поскольку границы
оправданного риска трудно
рационально обосновать,
при решении расчетных или
эксплуатационных
технических задач следует
использовать сравнение с
риском в аналогичных
ситуациях. При этом в
анализе следует принимать
во внимание наиболее
неблагоприятный случай (правда,
чтобы не впадать в
крайности, рисуя себе
нереальные ужасные картины,
необходимо постоянно
опираться на здравый смысл).
Установленный таким
образом крайне
неблагоприятный случай
угрозы нужно сравнить по
частоте и величине с уже
ранее имевшими место
аналогичными рисками. При
этом необходимо учитывать,
что на частоту влияют как
пространственная, так и
временная протяженность
рассматриваемых явлений.
Кроме того, нужно учитывать
продолжительность каждого
события и степень
стабильности исходных
параметров.

Рис. 2.3.5 Частота и
количество природных
катастрофических событий:
1 - суммарная кривая; 2 -
торнадо; 3 - ураганы;
4 - землетрясения; 5 - падение
метеоритов
Таблица 2.3.2
Вероятность летального
исхода
|
Условия
и вид деятельности
|
10-7
чел/год
|
|
Аварии автомашин
Огонь и взрывы
Водоемы
Обращение с механизмами
Воздушное сообщение
Электричество
Молния
Общественный транспорт
Радиоактивное излучение
|
2700
400
280
100
75
51
5,5
0,45
0,05
|
Таблица 2.3.3
Вероятность летального
исхода
|
Отрасль
народного хозяйства
|
10-7
чел/ч
|
|
Горные работы
Транспорт
Строительство
Добыча нерудных полезных
ископаемых
Эксплуатация газопроводного
оборудования и
гидротехнических
сооружений
Металлургическая
промышленность
Деревоотделочные работы
Пищевая промышленность
Целлюлозно-бумажная
промышленность и печать
Электротехника, точная
механика и оптика
Химия
Торговля, финансы, страхование,
коммунальные услуги
Текстильная и кожевенно-обувная
промышленность
Здравоохранение
|
3
3
2
1
0,6
0,6
0,6
0,6
0,5
0,4
0,4
0,4
0,3
0,2
|
|
Средняя
величина для 20,2 млн.
застрахованных
|
0,7
|
Таблица 2.3.4
Вероятность летального
исхода
|
Вид
деятельности
|
10-7
чел/ч
|
|
Профессиональная деятельность
Участие в движении транспорта
Занятие домашним хозяйством и
свободное время
Тяжелые заболевания
|
3-0,2
10-0,5
0,5
3-0,01
|

Рис. 2.3.6 Объем ущерба,
наносимого в результате
технических и природных
катастрофических событий:
¾¾
природные катаклизмы;
- - -
- аварии
Из таблиц
2.3.2-2.3.4, а
также рис. 2.3.6 видно, что риск
летального исхода
существует на уровне 10-7
и выше на человека в год.
Таким образом, при
проектировании и
эксплуатации технических
устройств риск на уровне 10-7
чел/год может быть принят
допустимым при следующих
условиях:
- проблема риска
проанализирована глубоко и
всесторонне;
- анализ
проведен до принятия
решений и подтвержден
имеющимися данными в
определенном временном
интервале;
- после
наступления
неблагоприятного события
анализ и заключение о риске,
полученные на основании
имевшихся данных, не
меняются;
- анализ
показывает, и результаты
контроля все время
подтверждают, что угроза не
может быть уменьшена ценой
оправданных затрат.
Принятую оценку
допустимого риска и
указанные условия нужно
выполнять строго и
рассматривать как первый
шаг к количественному
сравнению. При
необходимости в дальнейшем,
когда будет накоплено
больше опыта, эта оценка
может быть изменена.
Установленную оценку
допустимого риска не
следует, однако,
воспринимать как
оправданный предел; она
должна служить лишь
основой относительной
шкалы принимаемых рисков.
Сформулированные
положения подтверждают
также, что нецелесообразно
задавать
детерминированную границу
риска. Напротив, более
приемлемыми параметрами
представляются
вероятность pv,
отделяющая оправданный
риск от условно
оправданного, и
вероятность pu,
отделяющая условно
оправданный риск, т.е.
соответствующий
определенным условиям, от
неоправданного. К условиям,
при которых летальный риск
pL в диапазоне pv<pL£pu
может быть допущен,
относятся указанные выше
четыре требования к
анализу риска. Эти
требования должен
соблюдать принимающий
решения, всегда сравнивая
изменяющийся риск,
например, с повышением
максимально допустимой
эффективности, исключением
неблагоприятных ситуаций и
т.п. Для летального риска
принимают значения
оправданного pv=10-8
и, с большим безопасным
промежутком,
неоправданного pu=10-5
на человека в год; значения
эти выглядят разумными.
Если речь идет
исключительно о риске
материальных потерь, метод
сравнения при оценке риска
не вызывает сомнений. В
этом случае можно
принимать решения,
оценивая лишь
экономический эффект.
Сравнение
данной рискованной
ситуации с возникавшими в
прошлом аналогичными
ситуациями дает для оценки
риска более надежные
исходные предпосылки, чем
субъективные оценки.
Проблема оценки этим,
однако, все же не решается.
В отдельных случаях,
конечно, можно
довольствоваться
требованием, чтобы
допустимый риск был
заведомо ниже риска, ранее
имевшего место в
аналогичных ситуациях. Но в
других случаях, особенно
при очень высоком уровне
затрат, проблема остается
все же нерешенной. Желанию
четко выделить допустимые
границы вероятности
реализации нежелательного
события препятствуют
следующие положения:
- такого рода
границы должны быть
независимыми от
экономических затрат, так
же как аналогичная
независимость должна
обеспечиваться для
достижения безопасности
людей и материальным
ценностям;
- законодатель
должен был бы для подобных
границ принимать общее
решение, не учитывающее всю
специфику частных случаев;
- одно лишь
утверждение, что такие
границы будут соблюдаться,
может освободить
принимающего решения от
обязанности анализировать
ситуацию дальше и еще
больше снижать угрозу
безопасности людей, а ведь
при этом возможны случаи,
когда ценой очень
небольших затрат опасность
может быть еще больше
снижена, но этой
возможностью пренебрегают,
поскольку границы уже
установлены;
- утверждение,
что определенные границы
выдерживаются,
предполагает качественное
единство данных, что на
самом деле недостижимо, т.к.
опасность - явление
многоаспектное (см.
предыдущую главу), при
развитии и реализации
опасности имеют место
проблемы самого различного
типа;
- ограничения
допустимого риска зависят
от времени и меняются с
изменениями технических и
экономических
возможностей общества.
Установление
уровня приемлемой
безопасности и риска
представляет довольно
сложную задачу. Для ее
решения требуется
выполнение научного
анализа экономических,
экологических,
демографических и других
факторов, определяющих
развитие общества, с учетом
множества взаимосвязей и
взаимозависимостей.
Для обоснования
приемлемого риска может
оказаться полезным подход,
разработанный доктором физ.-мат.
наук И.И.Кузьминым [28] при
создании методики
оптимизации затрат на
снижение техногенного
риска. Считаем
целесообразным, изложить
этот метод (с некоторыми
сокращениями и изменениями)
в авторском варианте.
При постановке
вопроса об определении
приемлемого риска в
качестве цели управления
выступает состояние
здоровья общества, в
качестве критерия - средняя
продолжительность жизни (TL.E.),
а в качестве целевой
функции - риск смертности (Rs).
Чтобы завершить с
математической точки
зрения постановку задачи
об управлении риском (безопасностью),
требуется определить
управляющие переменные (управление)
в целевой функции Rs,
изменение которых
позволяло бы обеспечивать
оптимальность целевой
функции. С этой целью
напомним определение
безопасности и рассмотрим
эту проблему в
историческом плане.
Безопасность -
защита человека от
чрезмерной опасности, где
опасность - воздействие на
человека неблагоприятных и
несовместимых с жизнью
факторов или снижающих
качество жизни (под "качеством"
в рамках данного
определения следует
понимать количество
доступных для человека
благ, необходимых для
жизнедеятельности и
удовлетворения духовных
потребностей). Природа этих
факторов может быть
связана как с причинами
социально-экономического
характера (уровнем питания,
образования,
здравоохранения, с
природными катастрофами и
т.д.), так и с причинами
техногенного характера (с
уровнем загрязнения
окружающей среды в
результате
производственной
деятельности, с авариями на
производстве и т.д.).
В
доисторический период люди,
занимающиеся
собирательством и охотой,
находились во
взаимодействии с
экосистемами, являясь
неотъемлемой ее частью.
Риск смерти на этом этапе
развития определялся чисто
биотическими и
абиотическими факторами.
Повышение безопасности, т.е.
снижение уровня риска
смертности Rs, всегда
было одним из ведущих
мотивов деятельности людей.
Это достигалось развитием
экономики, использованием
достижений науки и техники
и, соответственно,
повышением материального
уровня жизни, качества
питания, медицинского
обслуживания, образования,
санитарно-гигиенических
условий и пр. Недостаток
продуктов питания
ликвидировался
индустриализацией
сельского хозяйства,
созданием различных видов
удобрений почвы.
Необходимость в защите от
неблагоприятных погодных
воздействий обусловила
становления строительства,
определила потребность в
новых видах строительных
материалов и
энергоисточниках, рост
структуры потребления
продукции промышленности
повлек за собой бурное
развитие энерго- и
ресурсонасыщенных
производств. Другими
словами, человечество,
развивая экономику,
создавало социально-экономическую
систему безопасности, т.е.
систему защиты от
опасностей. С развитием
цивилизации риск смерти
определяется уже не
природными факторами, а
уровнем развития экономики
и социальными отношениями
в обществе.
Как показывают
статистические данные (рис. 2.3.7),
в наиболее промышленно
развитых странах достигнут
и наибольший уровень
безопасности (т.е.
наибольшая
продолжительность жизни
или наименьший риск смерти)
на данном этапе развития
общества. Такой вид риска -
социально-экономический (Rc.э.):
Rs º
Rc.э.(CïM,
F, S, ... ),
где C - материальные
ресурсы общества,
характеризующие уровень
жизни общества; M -
материальный уровень жизни;
F - уровень питания; S -
уровень медицинского
обеспечения и другие
показатели социально-экономического
развития.

Рис. 2.3.7. Рост
продолжительности жизни в
различных странах по мере
социально-экономического
развития
Развитие науки и техники,
обусловленное
потребностью развития
экономики, снижая
социально-экономический
риск, одновременно привело
к появлению новых видов
опасности, как для здоровья
населения, так и для
окружающей его среды. Эти
опасности техногенного
происхождения были вызваны
поступлением в окружающую
среду отходов
промышленного
производства,
необходимостью участия
человека в
профессиональной
деятельности, обладающей
разнообразными
источниками
неблагоприятного
воздействия на его
здоровье, и т.д. Таким
образом, развитие
цивилизации привело к
возникновению особых
условий существования,
совокупность которых можно
назвать искусственной
средой обитания -
техносферой.
Созданная и развиваемая
техносфера накопила в себе
большие потенциальные
опасности - техногенные
факторы, и, соответственно,
потребовала создания
технических систем
безопасности,
обеспечивающих защиту от
них человека (см. рис.2.3.8).

Рис. 2.3.8. Структурная
блок-схема модели,
описывающей процесс
управления безопасностью (в
качестве цели управления
выступает состояние
общественного здоровья, в
качестве критерия -
ожидаемая
продолжительность
предстоящей жизни человека)
Необходимость в
создании таких технических
систем безопасности и
одновременно
совершенствование
социально-экономической
системы - это и есть новый
элемент в обеспечении
безопасности человека и
окружающей среды. На их
создание и эксплуатацию
приходится использовать
определенную долю
материальных ресурсов
общества, отвлекая
средства из социально-экономической
сферы. Таким образом,
возникает важная задача
распределения имеющихся
материальных ресурсов. В
настоящее время
техническая система
безопасности не позволяет
полностью исключить
воздействие техногенных
факторов. В таком
случае, уровень
загрязнения окружающей
среды, вызванного
недостаточной
защищенностью от
техногенных факторов,
обозначим через Z. Под
загрязненностью следует
понимать техногенно
обусловленное поступление
вещества и энергии в среду,
окружающую человека,
приводящее к ухудшению ее
состояния с точки зрения
социально-экономических
интересов общества. При
этом считается, что
поступление вещества и
энергии может происходить
не только в условиях
нормальной эксплуатации
оборудования и другой
промышленной деятельности,
но и в результате тех или
иных аварийных ситуаций.
Техногенный риск,
связанный с хозяйственной
деятельностью и
определяемый уровнем
опасности Z, обозначим
через Rт:
Rт º
Rт(DzïZ),
где Dz -
экономические затраты на
создание и эксплуатацию
технических систем
безопасности, Dz = IzC
(см. рис. 2.8).
Тогда общий риск может быть
представлен в виде суммы:
Rs (CïM,
F, S, ... Z) = Rc.э. (C - IzCïM,
F, S,...) + Rт (IzCïZ).
Роль
управляющей переменной в
целевой функции должны
принять на себя инвестиции
Iz, т.е. доля
материальных ресурсов
общества, направляемых на
создание и эксплуатацию
технических систем
безопасности.
Затраты
на обеспечение
безопасности следуют
экономическому закону
уменьшения отдачи. Этот
закон для техногенного
риска отображен на рис. 2.3.9.
На нем показана
эффективность затрат на
снижение риска от
эксплуатации АЭС (рассматривается
Французская АЭС мощностью
1300 МВт, срок службы 20 лет).
Точки на кривой
соответствуют различным
системам безопасности на
АЭС.
Отношение DRт/DD (т.е.
первая производная кривой
на рис. 2.10) является
мерой эффективности затрат
на дальнейшее снижение
техногенного риска Rт.
В экономической теории
отношения подобного рода
относят к экономическим
категориям и называют
предельными затратами. В
соответствии с этим данное
отношение следует в
дальнейшем называть
предельной эффективностью
затрат в технические
системы безопасности (т.е.
на снижение риска Rт).
Введем обозначение hт=DRт/DD.
Из приведенного на рис. 2.3.9
графика следует, что
предельная эффективность hт
на снижение риска Rт
уменьшается с увеличением
достигнутого уровня
безопасности.
Число
смертельных случаев от
рака и генетических
повреждений на 1300 МВт (эл.) в
течение 20 лет (Rт)

Сумма
капитальных и текущих
приведенных затрат на
оборудование по
обеспечению безопасности с
учетом времени их
осуществления, (Dz),
млн долл. США (1980г.)
Рис. 2.3.9.
Эффективность затрат на
снижение техногенного
риска
Конкретные
значения предельной
эффективности затрат hт
на снижение различных
видов техногенного риска
представлены в табл. 2.3.9 и
на рис. 2.3.10. Эти данные
характеризуют реальные
затраты, направляемые на
создание технических
систем безопасности в
различных отраслях
человеческой деятельности.

Рис.
2.3.10 Затраты (в долл.),
направленные на продление
жизни одного человека (или
Х человеческих жизней на 1/Х
лет):
1 – мобильные
реанимационные средства;
2 – раннее обнаружение рака
легких; 3 – лечение
туберкулеза; 4 – пожарная (дымовая)
сигнализация жилищ; 5 –
введение автомобильных
ремней безопасности;
6 – сернистые
очистительные средства;
7 – реанимационные
средства для
автомагистралей; 8 –
искусственная почка;
9 – освещение перекрестков;
10 – контроль окиси
углерода в отработавших
газах автомобильных
двигателей
Как свидетельствуют
статистические данные, затраты
на снижение социально-экономического
риска Rс.э.
также следуют
экономическому закону
уменьшения отдачи (рис.
2.3.11). Этот пример
иллюстрирует зависимость
состояния здоровья от
уровня дохода населения.
Таблица 2.3.5
Предельная эффективность
затрат на снижение
техногенного риска
|
Технические
системы (или меры)
снижения техногенного
риска
|
Число
спасенных жизней на 1
млн долл.
|
|
1
|
2
|
|
Контроль
за качеством пищевых
продуктов
|
30
|
|
Автомобильные
ремни безопасности
|
7
|
|
Запрет
на употребление
сахарина
|
3
|
|
Надувные
автомобильные мешки
безопасности
|
2
|
|
Улавливание
серы на угольной ТЭС
(труба
высотой 120 м) до 50%
|
0,4
|
|
Очистка
автомобильных
выхлопных газов:
до
97%
от
97 до 99%
|
0,1
0,02
|
|
Технические
системы безопасности на
АЭС:
рекомбинаторы
6
дополнительных
угольных слоев
|
0,1
0,05
|
Число
преждевременных
смертей
на 1 млн жителей

Доход
на человека в год, долл.
Канады (1982г.)
Рис. 2.3.11
Показатели смертности от
уровня дохода
Теперь
рассмотрим зависимость
общего риска от затрат на
создание и эксплуатацию
технических систем
безопасности (рис. 2.3.12).
Увеличение их ведет к
уменьшению величины общего
риска Rs из-за
снижения техногенного
риска Rт. Однако
материальные ресурсы
общества (C), независимо от
того, велики они или малы,
ограничены. Следовательно,
затраты, направляемые на
создание технических
систем безопасности и,
соответственно, снижение
уровня загрязнения,
отвлекают средства из
сферы услуг и из тех
областей, в которых
производятся товары,
повышающие материальный
уровень жизни. Другими
словами, рост
затрат на снижение
техногенного риска ведет к
повышению социально-экономического
риска. В результате, по
мере увеличения затрат на
технические системы
безопасности и на
продолжающееся снижение
техногенного риска, темпы
снижения общественного
риска замедляются из-за
возрастания социально-экономического
риска.
При
достижении некоторого
значения Iz=Iz опт
общий риск Rs проходит
через минимум, и далее
начинается его рост. Он
связан с чрезмерными
затратами на создание
технических систем
безопасности и, вследствие
этого, снижением затрат на
создание социально-экономической
системы безопасности.
Следовательно,
задача управления
безопасностью сводится к
определению такого
значения Iz ,
при котором достигается
минимум целевой функции Rs
и, соответственно, максимум
продолжительности
предстоящей жизни TL.E.
Таким образом, затраты на
создание и эксплуатацию
технических систем
безопасности в задаче
управления безопасностью
играют роль управляющей
переменой. Очевидно, что
оптимальные значения,
соответствующие минимуму
целевой функции, зависят от
уровня развития
управляемой социально-экономической
системы.
Рис. 2.3.12 Оптимизация
затрат Dz на снижение
техногенного риска Rт:
1 – общий риск (RS=Rс.э.+Rт);
2 – социально-экономический
риск (Rс.э.); 3 –
техногенный риск (Rт); ð
- точка минимума общего
риска RS,
соответствующая равенству
предельных затрат на
снижение Rт и Rс.э.;
I – область, в которой из-за
недостаточности затрат на
снижение Rт этот риск
неприемлемо высок; II –
область, в которой затраты
на снижение Rт
обеспечивают приемлемый
уровень RS; III –
область чрезмерных затрат
на снижение Rт,
ведущих к неприемлемо
высокому уровню Rс.э.
Из
изложенных выше
рассуждений следуют важные
выводы:
1.
Невозможно достичь "нулевого
общего риска" или "абсолютной
безопасности", которой
часто требуют. Для любого
данного уровня
техногенного риска
невозможно его дальнейшее
снижение. Стремление
снизить его до нуля ведет
не к снижению, а к
увеличению общего риска в
обществе.
2.
Приемлемый риск сочетает в
себе технические,
экономические, социальные
и политические аспекты и
представляет некоторый
компромисс между уровнем
безопасности и
возможностями ее
достижения.
3.
Экономические возможности
повышения безопасности
технических систем не
безграничны. Затрачивая
чрезмерные средства на
повышение безопасности,
можно нанести ущерб
социальной сфере, например,
ухудшить медицинскую
помощь, снизить расходы на
образование, культуру. При
увеличении затрат на
безопасность технический
риск снижается, растет
социальный.
4.
Суммарный риск имеет
минимум при определенном
соотношении между
инвестициями в техническую
и социальную сферы. Эти
обстоятельства нужно
учитывать при выборе риска,
с которым общество
вынуждено мириться.
Подводя
итог рассмотрения проблемы
риска, мы с Вами уяснили тот
факт, что угроза
безопасности людей чаще
всего состоит из многих
составляющих риска,
например из основного
существующего риска, риска
вследствие ошибок и риска,
на который идут
сознательно при известных
условиях.
Любой
алгоритм оценки риска
должен исходить из того,
что твердо установлен
экономический эквивалент
угрозы. Этот эквивалент
должен быть обоснован в том
смысле, что он
соответствует затратам,
которые общество при
данных условиях может себе
позволить, чтобы
предотвратить или
уменьшить угрозу.
Необходимо
воспрепятствовать тому,
чтобы, с одной стороны,
ценой больших затрат был
уменьшен и без того
незначительный риск, а с
другой - чтобы оставался
большой риск, который можно
было бы устранить с
небольшими затратами.
Установить такой
эквивалент - еще не
значит добиться успеха -
эквивалент такого типа не
удается получить без
влияния субъективных
факторов. Тем не менее, эти
эквиваленты делают более
ясным риск при принятии
решения об его величине.
Этапы
процедуры принятия
приемлемого риска
протекают по таким
правилам: уменьшение риска,
минимизация риска и
оптимизация риска.
Необходимо указать, что
порядок перехода от одной
группы решений к другой
должен строго следовать
указанной
последовательности. В
заключение следует
субъективно определить
влияние не поддающихся
учету факторов.
Решения,
связанные с нормированием (установлением)
риска, всегда остаются для
инженера сомнительными, т.к.
нельзя заранее определить
затраты для четкого
разделения во всех случаях
оправданного и
неоправданного риска.
Проконтролировать, был ли
оправдан данный риск,
удается всегда только
после наступления
нежелательного события, и
возможно это только при
оправданных убытках.
Поэтому
инженерно-техническая
деятельность, работа
промышленных объектов в
принципе не может быть
полностью свободна от
всякого риска, а на
необходимый и оправданный
риск нужно сознательно
идти.
В
таком выборе должны
участвовать не только
технические эксперты.
Совместное рассмотрение
проблемы представителями
всех заинтересованных
групп, открытое обсуждение
достоинств и недостатков
новых объектов, понятное
неспециалисту обоснование
оценок риска помогут
выработать общее,
согласованное решение.
Только так можно достичь
согласия в обществе и
обеспечить безопасность
его развития.
|