ТИПОВЫЕ СТРУКТУРЫ И ПРИНЦИПЫ ФУНКЦИОНИРОВАНИЯ АВТОМАТИЧЕСКИХ СИСТЕМ ЗАЩИТЫ
Представляется целесообразным рассмотреть типовые структуры автоматической системы защиты (АСЗ) на примере использования ее в химическом производстве. Выбор примера химической технологии не случаен - именно для них АСЗ достаточно детально разработаны.
В нормальном режиме функционирования систем технологическим процессом управляет автоматическая система регулирования (АСР). Для управления в предаварийном режиме используется автоматическая система защиты.
АСЗ является составной частью системы управления (СУ) процессом и может использоваться в двух режимах:
- АСЗ непрерывно контролирует ход технологического процесса, но реагирует только на аварийные отключения регулируемого параметра;
- АСЗ подключается к процессу только в момент возникновения аварийной ситуации как резерв АСР.
Для АСЗ объектов химической технологии характерно то, что подавляющее большинство мер защиты сводится к разовым, но экстремальным по величине показателям воздействия на защищаемый объект (или процесс). При этом исходная информация о процессе чаще всего носит ярко выраженный позиционный характер.
Структурные схемы АСЗ могут быть трех видов в зависимости от алгоритма защиты, определяемого сложностью процесса и многообразием аварийных ситуаций, эффективностью, экономичностью, надежностью и т. д.:
- простейшие АСЗ;
- АСЗ с развитой логической частью;
- адаптивные АСЗ.
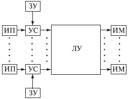
В простейшем случае АСЗ строится так, что повышение (или снижение) параметра, по которому ведется защита, до предельного значения вызывает управляющее исполнительное воздействие. Одноканальная АСЗ, настроенная, например, на повышение допустимого значения контролируемого параметра, реализует простой алгоритм защиты. Структурная схема простейшей АСЗ представлена на рис. 10.2.1.

Рис. 10.2.1. Структурная схема простейшей АСЗ
Сигналы от измерительных преобразователей (ИП) поступают на анализаторы параметров процесса, представляющие собой устройства сравнения (УС). Одновременно с этим на анализаторы поступают допустимые значения параметров процесса от задающего устройства (ЗУ). Если какой-нибудь параметр оказался больше (или меньше) своего допустимого значения, то с соответствующего анализатора поступает сигнал в узел управляющих воздействий (УУВ), где происходит выбор управляющих (защитных) воздействий (УВ); сигналы с УУВ поступают к объекту управления через исполнительный механизм (ИМ). Исполнительных механизмов может быть несколько.
Таким образом, в анализаторах происходит сравнение текущих значений параметров с допускаемыми. Различные параметры могут вызывать одинаковые и разные управляющие воздействия. Узел управляющих воздействий в основном реализует логическую функцию "ИЛИ", например, при синтезе диметилдиоксана из изобутилена и формальдегида падение давления промышленной воды ниже определенного уровня вызывает нарушение температурного режима ректификационных колонн, дефлегматоры которых охлаждаются промышленной водой. Поэтому система защиты, изображенная на рис
10.2.1, после сравнения текущего значения давления воды с заданным в аварийном случае выдает сигнал на УУВ. В результате срабатывают три исполнительных устройства: прекращается подача изобутилена; прекращается подача формальдегида и отсекается подача пара на кипятильники колонн. Следовательно, АСЗ с простым алгоритмом защиты реализует задачу - остановить процесс при возникновении предаварийной ситуации.
Структурная схема АСЗ второго типа, реализующая сложный алгоритм, представлена на рис.
10.2.2.

Рис. 10.2.2. Структурная схема АСЗ, реализующей сложный алгоритм защиты
Структурная схема
адаптивной АСЗ включает
информационное устройство,
состоящее из измерительных
преобразователей (ИП) и
усилительно-преобразующих
устройств (УПУ),
управляющее логическое
устройство УЛУ и блок
исполнительных механизмов
(ИМ). Объем блока ИМ зависит
от числа параметров,
воздействующих на процесс
при наличии аварийной
ситуации. В функции УЛУ
входят обработка
информации от ИЛ по
определенному алгоритму,
результатом чего является
оценка степени развития
аварийной ситуации, выбор
вида защитного воздействия,
соответствующего данной
степени развития аварийной
ситуации и обеспечивающего
безаварийность процесса, и
выдача управляющего
защитного воздействия на
блок ИМ. УЛУ наряду с
развитой логической частью
включает в себя
вычислительное устройство,
в функции которого входит
подготовка данных для
определения необходимости
ввода защитного
воздействия с учетом
экстраполяции изменения
параметров защиты,
характеризующих развитие
аварийной ситуации, и
последствий ввода защитных
воздействий.
В развитие
вышесказанного
формируется общая задача
оптимизации структуры АСЗ.
В самом общем виде задачу
выбора структуры и
параметров АСЗ
потенциально опасных
процессов можно описать в
виде подлежащего
минимизации функционала:
min S = min{S(
)+M[
]},
где m - вектор параметров
технических устройств АСЗ (например,
точность и надежность
входящих в АСЗ
измерительных
преобразователей,
надежность и
быстродействие логических
устройств и исполнительных
механизмов и т.п.);
S(
) - приведенные к общим
единицам измерения затраты
на построение системы и ее
эксплуатацию как функция
от векторов параметров;
-
усредненная по множеству М
функция от несовершенства
параметров технических
устройств АСЗ,
обозначаемых вектором
;
М - область допустимых
решений вектора
.
Для случая
построения АСЗ для
потенциально опасных
процессов ограничение
области допустимых решений
необходимо сформулировать
прежде всего как
обеспечение требуемой
безаварийности:
Ô(
)=ñ,
где Ф(
) - функция критерия
безаварийности от
параметров технических
устройств АСЗ;
с - требуемое значение
критерия безаварийности.
|